联系我们contact us
- williamhill英国官网
- 手机:13280082001
- 联系人:曹经理
- 电话:0537-2558089
- 邮箱:https://www.wankunxincai.com
- 地址:济宁市国家高新技术产业园区
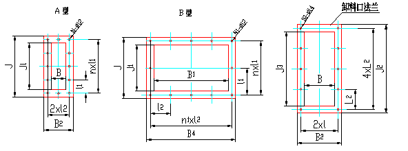
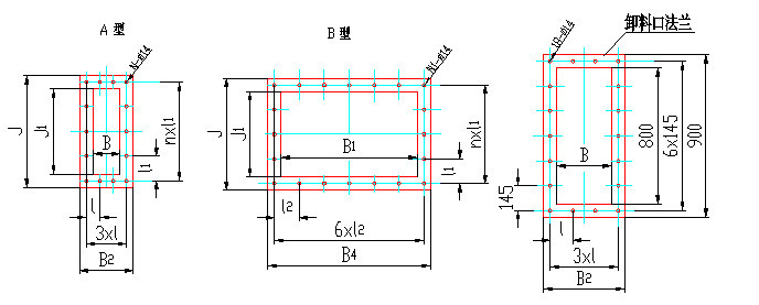
MS埋刮板输送机外形尺寸图
来源:本站 发布时间:2016-07-18 访问量:1603
MS埋刮板输送机外形尺寸图
MS16--MS25型埋刮板输送机外形尺寸



MS32-- MS40型埋刮板输送机外形尺寸





打印页面
关闭窗口